Factory cruise control

Technical Question and Answer - On topic to 71-74 Plymouth B-bodies only.

Moderator: Site Administrators

Post Reply
PasiR
Satellite Sebring (RH)
Posts: 67
Joined: Mon Jan 28, 2008 9:46 am
Location: Finland

Factory cruise control

Post by PasiR » Thu May 15, 2014 12:22 am

Any cruise specialists here?
How does it work, do I need to disassemble the unit for checking it etc...?
12V coming from turn signal toggle button, vacuum hose connected and all cables are there too.
Thanks!

71_bronze_gtx
GTX (RS)
Posts: 265
Joined: Tue Jan 22, 2013 1:32 pm
My Cars: 71 GTX
72 cuda repli-mod
Location: S. E. Michigan

Re: Factory cruise control

Post by 71_bronze_gtx » Thu May 15, 2014 11:21 am

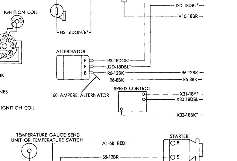
I've attached a screen print of the FSM diagram of the speed control. Also, the engine side and dash side wiring diagrams.

If you want, send me a PM, and I'll send the whole electrical chapter PDF to you. It has operation and troubleshooting descriptions.
Attachments
speed control diagram.jpg
speed control wiring engine side.jpg
spped control wiring dash side.jpg

PasiR
Satellite Sebring (RH)
Posts: 67
Joined: Mon Jan 28, 2008 9:46 am
Location: Finland

Re: Factory cruise control

Post by PasiR » Thu May 15, 2014 12:10 pm

Thanks!!
PM sent too.

Post Reply